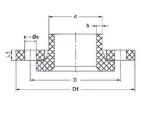
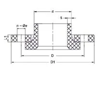
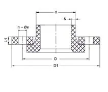
Бурт под фланец для стыковой сварки
Бурт под фланец PP-H (полипропилен гомополимер) 500 мм PN10 для стыковой сварки. Фитинг предназначен для применения в составе промышленных трубопроводных систем, транспортирующих воду, технические и химические среды с температурой до 100 °С
Диаметр:
500
Бренд:
IPS















