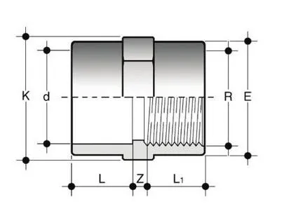
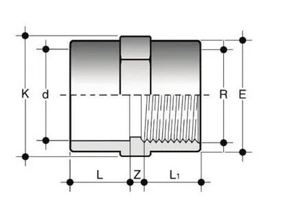
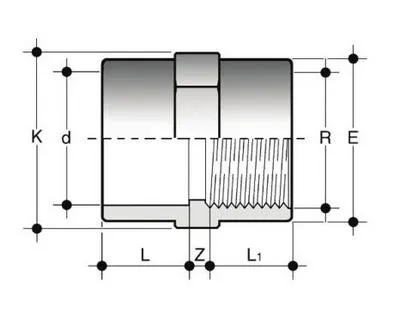
Переходная муфта, d-муфтовое окончание под клеевое соединение, R - внутренняя резьба
Переходная муфта под клеевое соединение с внутренней резьбой, диаметр 50x1 1/2. Производитель - FIP (Италия).
Диаметр:
50x1 1/2
Давление:
PN16
Материал:
Непластифицированный поливинилхлорид (НПВХ)
Температура рабочей среды:
0-60C
Соединение:
Клеевое, резьбовое
Бренд:
FIP














