На сайте указаны розничные цены. Для получения оптовых и индивидуальных скидок пришлите заявку на почту.
Москва
Частным лицам:+7 (925) 114-32-11
Организациям:

Бурт ПВДФ SDR21 PN16 d75 QRNF075

В наличии
Артикул:QRNF075

Бурт ПВДФ SDR21 PN16 d75

для юр. лиц
16522 ₽
для физ. лиц
По запросу
Мы уверены в надежности нашей продукции.
На все товары действует гарантия сроком 1 год.

Добавить в корзину

Описание

Бурт под фланец ODB (по стандарту DIN) для раструбной сварки, метрический стандарт
Фитинги, предназначенные для транспортировки жидкостей под давлением, соединяемые методом раструбной сварки
Диаметр:

75

Бренд:

FIP

Ассортимент продукции

Наименование
Диаметр
Артикул
Цена с НДС руб/шт.
Бурт ПВДФ20QRNF0202238
Бурт ПВДФ25QRNF0252822
Бурт ПВДФ32QRNF0322870
Бурт ПВДФ40QRNF0404776

Показать все

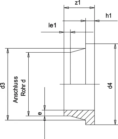
Размерный ряд

Артикул
d
DN
PN
b
d3
d[4]
H
Z
g
QRNF0202015167274520623
QRNF0252520169345822646
QRNF050504016126188306122
QRNF1101101001618131158508573

Показать все

Файлы

Трубы, фитинги, арматура ПВДФ
Трубы, фитинги, арматура ПВДФ

Полный каталог по продукции FIP из ПВДФ (Поливинилиденфторид). Каталог включает ...

Фитинги для раструбной сварки ПВДФ
Фитинги для раструбной сварки ПВДФ

Технический каталог по фитингам для раструбной сварки из ПВДФ, включает подробны...

Бурт ПВДФ SDR21 PN16 d75

В наличии

Фитинги, предназначенные для транспортировки жидкостей под давлением, соединяемые методом раструбной сварки

Похожие товары

Перейти в каталог

Рекомендуемые товары

Перейти в каталог