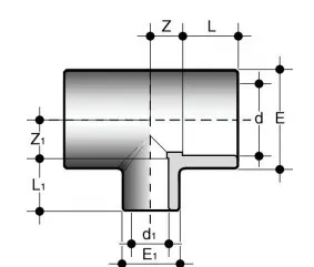
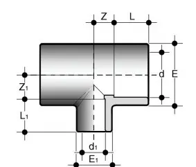
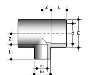
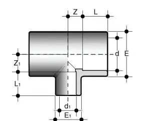
Редукционный тройник 90° муфтовые окончания под холодную сварку
Серия фитингов, предназначенных для транспортировки жидкостей под давлением, соединяемые методом холодной химической сварки с использованием цемента WELD-ON и специального обезжиривателя.
Диаметр:
75x25
Бренд:
FIP
















