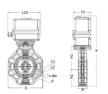
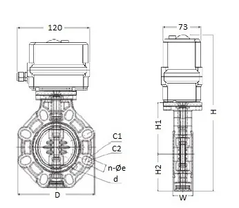
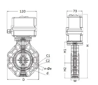
Дисковый затвор промышленного применения с электрическим приводом RL-03XM 220V AC
Дисковый затвор промышленного применения с электрическим приводом RL-03XM 220V AC. Бренд: IPS
Диаметр:
d63 (DN50)
Тип привода:
C электроприводом
Вид привода:
220V AC
Материал уплотнения:
EPDM
Бренд:
IPS




















