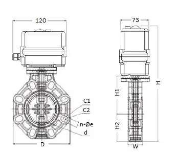
Дисковый затвор промышленного применения с электрическим приводом RL-03XM 24V DC
Дисковый затвор промышленного применения с электрическим приводом RL-03XM 24V DC. Бренд: IPS
Диаметр:
d75 (DN65)
Давление:
PN 10
Материал:
Непластифицированный поливинилхлорид (НПВХ)
Температура рабочей среды:
0-60 C
Тип привода:
Электрический
Вид привода:
24V DC
Материал уплотнения:
FKM
Бренд:
IPS

















