Дисковый затвор промышленного применения с электрическим приводом RL-03XM 220V AC
Дисковый затвор промышленного применения с электрическим приводом RL-03XM 220V AC. Бренд: IPS
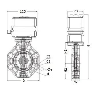
Диаметр:
d90 (DN80)
Давление:
PN 10
Материал:
Непластифицированный поливинилхлорид (НПВХ)
Температура рабочей среды:
0-60 C
Тип привода:
Электрический
Вид привода:
220V AC
Материал уплотнения:
FKM
Бренд:
IPS

















